开云·kaiyun储能科技有限公司 | 开云·kaiyun官方入口开云·kaiyun储能科技有限公司 | 开云·kaiyun官方入口

产品
+
交流测-升压逆变一体仓

交流测-升压逆变一体仓

所属分类:


特点概述

产品特点 IP54防护等级;施工容易、安装简单;可适用多种类型配置;可靠性和可维护性高。
立即联系

详情介绍


产品特点

IP54防护等级

施工容易、安装简单

可定制开发

可适用多种类型配置

可靠性和可维护性高


应用场景

交流测-升压逆变一体仓-应用场景


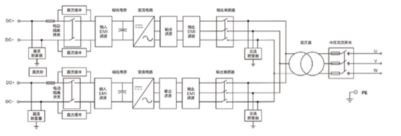
产品拓扑图

交流测-升压逆变一体仓 - 产品拓扑图

交流测-升压逆变一体仓

我们认真聆听每一位客户的声音

安全验证
提交